曜日別特売

ホースクランプ(バネツキ 9.4)

ホースクランプ(バネツキ 9.4) - BIGM(丸山製作所)ホースクランプ(バネツキ 9.4) - BIGM(丸山製作所)ホースクランプ(バネツキ 9.4) - BIGM(丸山製作所)ホースクランプ(バネツキ 9.4) - BIGM(丸山製作所)ホースクランプ(バネツキ 9.4) - BIGM(丸山製作所)
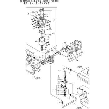
部品名称ホ-スクランプ(バネツキ 9.4)図解NoMSV613-K-A エンジン フューエルタンク、エアクリーナ、フゾクヒン部品_No.4、MSA413R3-K-A エンジン キャブレタ、エアクリーナ部品_No.45、MSV413R1TB-K-1 エンジン キャブレタ、エアクリーナ部品_No.42、MS313EW-2K -A キャブレタ,エアクリーナ部品_No.62、MS513R3S-Kアワジ エンジン キャブレタ、エアクリーナ部品_No.45、MSA513R2T-K-1 エンジン フューエルタンク、キャブレタ、エアクリーナ部品_No.2、MS513EA-2K-A キャブレタ エアクリーナ部品_No.44、MRS30-131 エンジン キャブレタ、エアクリーナ部品_No.12、MP2530E-K エアクリーナ,キャブレタ部品 ホースクランプ(バネツキ 9.4)_No.3、MS410ENA-3K リコイルスタータ、イグニッションコイル、スパイラルケース部品_No.35、MS413EA-2K-A キャブレタ エアークリーナ部品_No.44、MSV313-K エンジン フューエルタンク、キャブレタ、エアクリーナ部品_No.15など内容量1個
注意
※商品の画像は注文コードをクリックいただいた後の画面で、画像を【名前を付けて保存】をしてご確認いただくと拡大してご確認いただけます。
1件中 11各品番毎の詳細は注文コードをクリックしてください
注文コード
品番
参考基準価格 (税別)販売価格(税別)販売価格(税込)
出荷目安
数量
05303298627799
オープン
105
116(税込)
7日以内出荷
各品番毎の詳細は注文コードをクリックしてください
購買の手間を削減したい、経費精算を楽にしたい。そんなお悩み解決します

商品レビュー

商品レビューを投稿すると毎月抽選で1,000名様500円クーポンをプレゼント!

よくあるご質問(FAQ)

ご質問は製品仕様に関する内容に限らせて頂きます。
シェアする
この商品についてXでポストする
この商品についてFacebookでシェアする