アクティブフィルタ回路内蔵、高調波電流規制対応。
高効率化と待機電力低減。
従来品比率約30%の小型化と約20%の軽量化。
産機用途を考慮し、50℃ 100%を実現。
無償保証期間5年(条件付)。



ネミックラムダ⇒デンセイラムダ⇒TDKラムダと社名が変更して、
仕様(形状)を探すのに手間取りましたが、
コネクタ入出力と幅が一緒で楽に作業が出来ました。
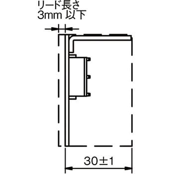
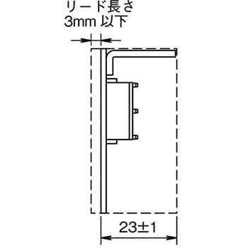
4か所度目の穴位置は、2か所はそのままで、長手方向が短くなった分、
穴あけ加工が必要でした。
デジタルアンプ用の電源に使用するために購入しましたが、プレミアムな値段で購入できました。最高です!次回もお願いしたいと思っています。
レギュレーションも良くコンパクトで使い勝手が良いと思います
配線取り出しコネクターも付いていればいいなと思います基板コネクターに合うものが見当たらず
配線を半田直付けにて使用しました