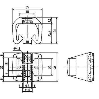
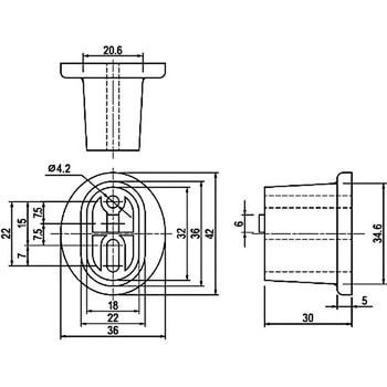
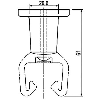
椅子や机の壁面、壁面等に取付けて、ステッキや傘が不必要な時の仮置きに使えます。
取付ねじのピッチは15~22mm。トラスタッピンねじ、トラス小ねじ、どちらでも取付られます。トラスねじをご使用の際は、本品を取付けた位置にナットが埋め込まれている必要があります。
ホルダー内に押し入れたステッキ等がねじ頭に当たって傷つくことがないようねじ頭を覆うカバーが付いています。
取付けの際は、ねじ頭カバーをめくって、ねじを差し込んでください。



リーズナブルでとても良いです。ビスを止めるビス頭を隠す部分が邪魔です、ゴミが溜まります。止める部分に5ミリほどの厚みが欲しいです。
小さい懐中電灯を固定するパーツを探していて、この商品を見付けました。商品が届き懐中電灯をはめてみたところピッタリで、ヤッターと思ったのもつかの間、取り付けたい本体にこのパーツが固定できませんでした。。。
なかなかうまく行きませんね。商品は安価だし、希望通りで満足でした!
いつもどこに置いたかわからなくなる母親のステッキ保管用に取り付けました。ウレタンゴムのような部分を少し剥いてビスを打ち込みましたが、何かもっとパチンとはめるようなビスカバーができなかったものかと感じました。また、ビスが付いていないので★4つにしました。一応ステッキははまりました。