曜日別特売

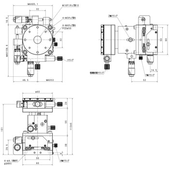
XYZθ軸ステージ(Φ60)

XYZθ軸ステージ(Φ60) - ツクモ工学XYZθ軸ステージ(Φ60) - ツクモ工学XYZθ軸ステージ(Φ60) - ツクモ工学

・4軸ステージ(XYZθ軸ステージ)は、4軸方向の微動調整が可能な多軸調整ステージです。
・XYZ軸での位置決めと、θ軸回転での360°方向の微動調整が可能です。
・ステージに取り付けたモノの位置決めが精度良くできるため、光学用途以外(測定・分析用の治具など)にも有用です。

用途
・ステージに取り付けたもの(光学素子など)について、4自由度(4軸)の調整が必要な用途。
・検体について位置や姿勢に微調整が必要な測定、及び測定装置への用途。
・精密ステージを選定するために、調整できる仕様について試行・検討する用途。
質量(kg)1.15耐荷重(N)49 [5 kgf]RoHS指令(10物質対応)対応ステージ寸法(mm)Φ60移動量(mm)【XY】±6.5、【Z】±5、【θ(°)粗動 360、微動 ±5内容量1個
注意
※・本体をネジ止め固定する際は、マイクロメータヘッドを回して最下部のすぐ上の部品を移動させて、最下部部品の穴が上方から見えるようにしてください。
1件中 11各品番毎の詳細は注文コードをクリックしてください
注文コード
品番
販売価格(税別)販売価格(税込)
出荷目安
数量
69852670TSC4-60
159,800
175,780(税込)
42日以内出荷
返品不可
各品番毎の詳細は注文コードをクリックしてください
購買の手間を削減したい、経費精算を楽にしたい。そんなお悩み解決します

商品レビュー

商品レビューを投稿すると毎月抽選で1,000名様500円クーポンをプレゼント!

よくあるご質問(FAQ)

ご質問は製品仕様に関する内容に限らせて頂きます。

手動ステージ」にはこんなカテゴリがあります

シェアする
この商品についてXでポストする
この商品についてFacebookでシェアする