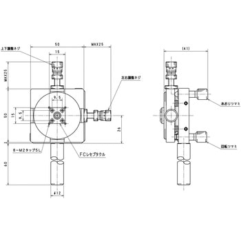
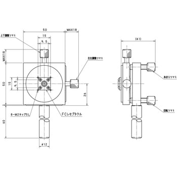
・ファイバホルダは、FCコネクタ付の光ファイバ素子を容易に固定でき、 4軸(YZβθ)の調整ができるホルダです。
・FCレセプタクルを装備しており、端部にFCコネクタの付いた光ファイバの接続が容易にできます。
・光軸に対し直交するYZ軸の芯出し調整が可能です。YZ軸の微動方式は、微調ネジタイプと差動マイクロメータヘッドタイプから選べます。
・YZ軸調整に加え、微調ネジ調整のキネマティック機構によるあおり角度(角度 βθ)を調整できます。
・ホルダには、Φ12mm L=60mmのポールを標準装備しています。
・材質は、主に黒アルマイト仕上げのアルミニウムです。


