・スペイシャルフィルタホルダは、顕微鏡対物レンズを用いてレーザ光を精密ピンホールに集光し、レーザ光の波面ノイズや高次回折光を除去して、クリアな波面を作ることを可能にするホルダです。
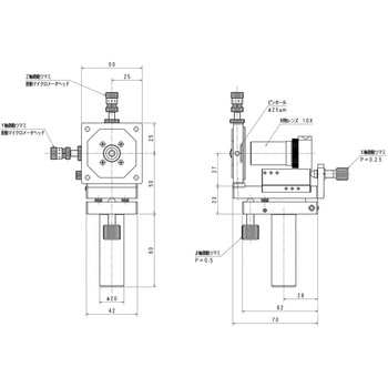
・精密ピンホールの位置決めは、光軸に対し直交するYZ軸につき、差動マイクロメータヘッドによる芯出し調整が可能です。
・対物レンズ保持部は、光軸方向 (X軸) のフォーカス微動調整が可能です。
・据付タイプとポール付タイプ(Φ20mm×60mm)が選べます。
・ポール付タイプでは、ホルダユニット全体の傾斜角度β(β2と呼称)も微調整可能です。
・精密ピンホール (Φ25μm) と対物レンズ (×10) を標準装備しています。
・材質は、主に黒アルマイト仕上げのアルミニウムです。


