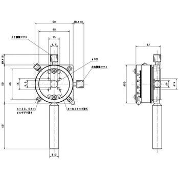
・回転式ファイバホルダは、光ファイバ素子を固定し、3軸(YZα)の調整ができるホルダです。
・FCレセプタクルを装備しており、端部にFCコネクタの付いた光ファイバの接続が容易にできます。
・光軸に平行なX軸を中心とする回転(角度 α)を360°調整可能です。回転の移動ガイドにすり合わせ式を採用し、安定した調整が可能です。
・光軸に対し直交するYZ軸の芯出し調整が可能です。YZ軸の微動方式は、微調ネジタイプと差動マイクロメータヘッドタイプから選べます。
・ホルダには、Φ12mm L=60mmのポールを標準装備しています。
・材質は、主に黒アルマイト仕上げのアルミニウムです。


