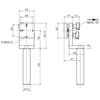
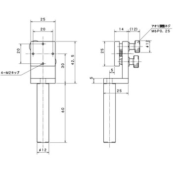
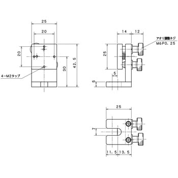
・キネマティック式小型ミラーホルダは、キネマティック機構により、支点を基準としたあおり角度調整(βθ調整)を行う2軸調整ホルダです。
・あおり角度の微動調整は、製品背面のツマミを使います。
・微動方式(微動調整のツマミ)は、ネジ(P=0.25mm)です。
・ミラー素子は、垂直ステージに接着して固定します。
・ポール付きと据付型のタイプがあります。
・ポール付き(MD-25FP・RP)は、Φ12mm L=60mmのポールを標準装備しています。
・小型・軽量のため、組み込み用途にもご利用できます。
・材質は、主に黒アルマイト仕上げのアルミニウムです。


