ネオジウム磁石を使用し、薄型で高い吸着力が得られます。
取付面が吸着面と平行で取付が容易です。



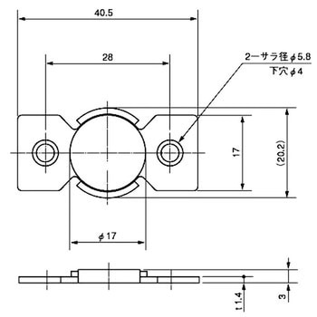
モノタロウ製ではマグネット付きしかないので、画像で判断して
APソケットホルダーを購入したらマグネット無しを購入してしまい、
どうしようか迷っている時に思いつきました。
丸い部分を少し削って、裏の溝に両面テープで2個貼りました。
とりあえずマグネット付きと同じ感じにはなりました。
モノタロウさんでAPのマグネット付きソケットホルダーを取り扱っていますが、
本家本元より安いし、次はマグネット付きかちゃんと確認しようと思います。
小型サイズなのに思った以上に磁力が強く、円柱にもしっかりくっついてくれました。
ボンドでくっつけて、上下を紐で縛りました。
ご意見ありがとうございました。
しっかり取付け、なおかつ簡単に着脱できることが条件のイベント看板に使用しました。薄く、小型でありながら磁力が強いので目的を果たせました。
商品説明に「※取付にはM2.6サラ小ねじ又はサラリベットを使用して下さい。」となっていますが、M3サラ小ねじでも問題なく行けます。