優良住宅部品(BL部品)は、品質、性能、アフターサービス等に優れた住宅部品です。
人々の住生活水準の向上と消費者の保護を推進することを目的として、一般財団法人ベターリビングが認定し、その普及を図っています。
BLとはBetter Living(よりよい住まいを)の頭文字をとったものです。
認定を受けた住宅部品には、「BLマーク証紙」の貼付等により優良住宅部品(BL部品)である旨を表示することとなっており、表示された部品には、瑕疵担保と損害賠償の両面からのBL保険がついています。
BL保険では、施工瑕疵による賠償もカバーされますので、PL法に対応した製造物責任保険より幅広い保証が得られます。
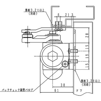
※I型・I-S型・Ⅱ型・Ⅱ-D型の取付寸法は同じです。左右兼用タイプ。I型・Ⅱ型は上下転倒、Ⅲ型は表裏逆にし、閉扉速度調整バルブを吊元側に向けて使用して下さい。


