曜日別特売

キャスター (自在金具・左ブレーキ付き)

キャスター (自在金具・左ブレーキ付き) - エスコキャスター (自在金具・左ブレーキ付き) - エスコキャスター (自在金具・左ブレーキ付き) - エスコ

ベアリング入り。弾性のあるゴム車付きです。重量運搬用、その他一般産業用として多く使用されています。車輪の回転と自在金具の旋回を止めるダブルストッパー付き。右側ストッパーペダル仕様(EA986PN-44)と組合せて使用することにより、台車の外側にストッパーペダルが出て操作しやすくなります。ダブルストッパー(車輪の回転と金具の旋回を同時に止めます)。安全率を考え、最大荷重×80%程度でのご使用をお勧めいたします。

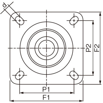
用途ロールボックス、パレット、台車、倉庫、工場など仕様自在ストッパー付 (左)寸法(mm)車輪径×幅:150×45質量(g)2540材質(車輪)ゴム使用温度範囲(℃)-5~60全高(mm)198耐荷重(kg)200プレート寸法(mm)(F1×F2)120×120耐熱温度(℃)-20~80穴径d(Φmm)11取付ピッチ(mm)(P1×P2)90×90材質(金具)スチール偏心(mm)45内容量1個
注意
※キャスターに対し荷重が垂直にかかるように取付け、台車など人力で間欠的に搬送する際にご使用ください。
1件中 11各品番毎の詳細は注文コードをクリックしてください
注文コード
品番
参考基準価格 (税別)販売価格(税別)販売価格(税込)
出荷目安
数量
70985909EA986PN-49
オープン
5,800
6,380(税込)
翌日出荷
返品不可
各品番毎の詳細は注文コードをクリックしてください
購買の手間を削減したい、経費精算を楽にしたい。そんなお悩み解決します

商品レビュー

商品レビューを投稿すると毎月抽選で1,000名様500円クーポンをプレゼント!

よくあるご質問(FAQ)

ご質問は製品仕様に関する内容に限らせて頂きます。

プレート式 自在車キャスター」にはこんなカテゴリがあります

シェアする
この商品についてXでポストする
この商品についてFacebookでシェアする