リニアブッシュLM形は、円筒LMシャフトと組合わせて使用され、無限直線運動する直動システムです。負荷ボールとLMシャフトは点接触のため、許容荷重は小さいですが、最小の摩擦抵抗で直線運動し、高精度で軽快な運動が得られます。外筒は高炭素クロム軸受鋼を使用し、熱処理後、内容・外径を研削加工しています。
リニアブッシュの各部寸法公差は標準化されているため互換性があります。LMシャフトは加工が容易な円筒研削で加工できるため高精度な、はめあいすきまが得られます。
ボール列を案内するリテーナは一体形成のため、ボールの進行方向に対して正確に案内し、安定した走り精度が得られます。
合成樹脂で一体成形したリテーナを使用しているので運動時の音は小さく、潤滑性に優れています。
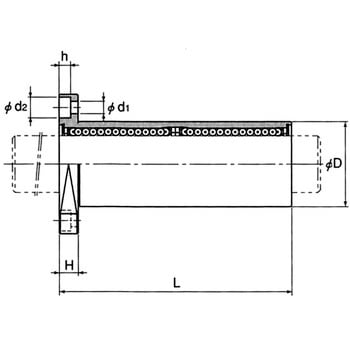
外筒とフランジは一体形で、ハウジングに直接固定でき、取付が簡単です。
角フランジ形に比べて芯高さが低くすみ、コンパクトな設計ができます。
標準形のリテーナが2個組み込んであり、モーメント負荷の箇所に最適です。
ボール条列は平取りからの荷重に対し2条列で負荷するように組み込まれていますので寿命性能を向上できます。
両側に特殊合成ゴムシールが組込まれており、異物の侵入を防ぎグリースの漏れをおさえます。


