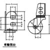
アングルへの取付に特化した形状のキャスターで、取付が容易に出来ます。旋回部の構造を二段構造にする事で、スムーズな旋回が可能になります。ストッパーにより車輪の回転をロックすることが出来ます。



棚の脚にストッパー付きとストッパー無しを対角線に配置して、地震に備えました。6棚付けました。移動が楽です。
コストコのスチール棚に取付ました。棚の加工無しで取付可能なので、便利です。
また価格もホームセンターより安いので重宝してます。
手持ちの穴あきLアングル(40x40mm)でワゴンを自作するのに支柱に取り付けるキャスターが必要だった為購入しました。取付け穴の位置が合うかどうか不安でしたが寸法図で事前に確認出来たので加工することなく取り付け出来ました。価格も安く品質も全く問題なかったので大満足です。
ホームセンター等と異なり豊富な商品の種類を値段や目的に沿って選択でき、助かります。同種商品をホームセンター等で購入するよりもかなり手頃に購入できました。
キタジマのスチールラックのキャスターが室内仕様の華奢な感じだったので、こちらの頑丈そうなものを購入しました。
キャビネットが据え置き型なので移動できるように取り付けました。
取付穴が10㎜だったのでM10の六角ボルトで取り付けましたが、取付穴の上下間が狭く、ワッシャーを入れると干渉するので、M8で取り付けるか外径の小さいワッシャーを使うと良いと思います。
転がりもスムーズでストッパーもちゃんと効くので商品に問題はございません。