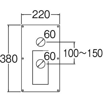
外釜スライド板

外釜スライド板 - SANEI(旧:三栄水栓製作所)外釜スライド板 - SANEI(旧:三栄水栓製作所)
(1件のレビュー)

壁面の貫通穴カバー
穴位置が100150の間でスライドします。

仕様ビス付材質SUS430内容量1個
1件中 11各品番毎の詳細は注文コードをクリックしてください
注文コード
品番
参考基準価格 (税別)通常価格 (税別)販売価格(税別)販売価格(税込)
出荷目安
数量
31247545R5471-60
2,9001,998
1,698
アウトレット
1,868(税込)
当日出荷
残り2点です
各品番毎の詳細は注文コードをクリックしてください
購買の手間を削減したい、経費精算を楽にしたい。そんなお悩み解決します

商品レビュー

平均満足度:
総レビュー件数:1
毎月抽選で1,000名様500円クーポンをプレゼント!商品レビューを投稿する
対象商品 : 31247545
2024-07-30
用途: 老朽経年劣化漏水による接続管の交換作業

今回、SANEIの連結管の交換作業の開口部閉鎖に仕様させていただきました。
スライド機能はいつもながら使い勝手がよく手際よく作業をさせていただきました。
又、機会があればリピさせていただきます。

よくあるご質問(FAQ)

ご質問は製品仕様に関する内容に限らせて頂きます。

洗面台」にはこんなカテゴリがあります

シェアする
この商品についてXでポストする
この商品についてFacebookでシェアする