非常に簡単な構造ですので、現場でのメンテナンスが容易です。
接水部主要材は、赤水対策としてCAC406を採用しています。



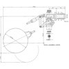
40年前の循環式太陽熱温水器のオーバーフロー修理のため当該商品の案内羽+パッキンを交換しようとしましたが本体の形状もテコAテコB、案内羽の形状、寸法も変更されている為そのまま入れ替える事はできませんでした。
本体ごと交換できれば耐久性も向上しているので星五つでしたがホースの取り外しが極めて困難な為案内羽だけを切削加工して使用しました。
現在は正常に動作しています。
ポリ玉はステンレス製に交換しています。
商品はとても良い物です。
同型なので何の問題もなくすんなり交換して作業終了
ナット部が金属製からプラスチックに変わっていたので使用せず
金属製ナットを使いまわしました。
屋根上の温水器の水がオーバーフローして、止まらなくなったため交換しました。交換後少し水位が高かったため、真鍮の竿を曲げ水位調整しました。
水番がいなくても タンクの水が溢れることなく貯められて大変よかった
太陽熱温水器の ボールタップが不具合になって 水の止まりが悪くなっていた
43年前と 全く同じ型番で 2024年に 入手できるなんてありがたいことです
おかげで ピタッと 水が止まるようになりました
改修に必要になり購入
ポリ玉の色が白色と水色とありますが、色の違いに何か理由があるのでしょうか(用途別とか)
メーカーサイトを見ても特に記載がなかったので気になってます。
商品については全然問題なく使用できてます。
ポリ玉のサイズによって判別出来るように色分けしております。