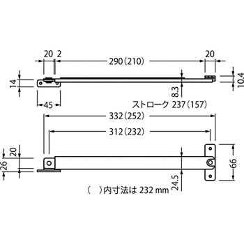
室内ドアの戸当り兼煽り止め金具。戸当りが使用できない箇所に使用します。
ドアの上部に取付ますので、日常の開閉には何の支障もありません。
戸当り巾25ミリ以上に取り付ける内付外開きタイプです。
No1400N、1500の後継品です。



開閉ドアが風にあおられて急に閉まって困っていました。ドアが閉まることを防止し、かつ閉まるときの音を防ぐためにドア上部に取り付けました。位置合わせが少し面倒でしたが、簡単に取り付けられました。便利に用いています。
説明書通りに、寸法を取り穴を開けたらちょっと違うじゃないですか、やはり実際に伸縮させてした方がいいです。ちなみに90度以下で、165mmで取り付けたら80度。確かに90度以下で合っているのか、いないのか。