CRBF8022AC1 高剛性取付穴付きクロスローラベアリング CRBF IKO(日本トムソン) 38301347

高剛性取付穴付きクロスローラベアリング CRBF

商品レビューを投稿する
取扱い終了
お気に入りに追加
内容量1個 注文コード38301347 品番CRBF8022AC1
大変申し訳ございませんが、この商品は取り扱いを終了いたしました。
参考基準価格(税別)¥53,900
この商品は16種類から選べます 他の種類を見る

クロスローラベアリングは、内輪と外輪の間に、ころを直交させて配列したコンパクトな構造の軸受です。
転がり面は線接触のため、軸受荷重による弾性変位はごくわずかで、しかもラジアル荷重、アキシアル荷重及びモーメントなどの複雑な荷重を同時に受けることができます。

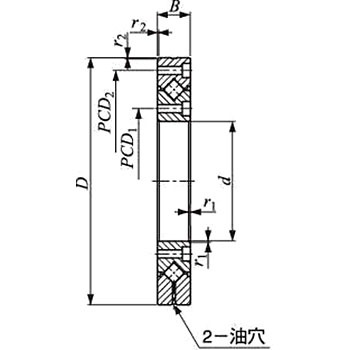
内径d(Φmm)80 外径D(Φmm)165 幅B(mm)22 基本静定格荷重Co(N)72000 材質(本体)高炭素クロム軸受鋼 質量(g)2600 タイプセパレータ付 寸法P.C.D.1(mm)97 寸法P.C.D.2(mm)148 JIS等級0 基本動定格荷重C(N)51100 シールド形状開放形 荷重方向ラジアル 軌道輪形状円筒ころ軸受 転動体材質高炭素クロム軸受鋼

商品レビュー

商品レビューを投稿すると毎月抽選で 1,000名様500円クーポンをプレゼント!

よくあるご質問(FAQ)

ご質問は製品仕様に関する内容に限らせて頂きます。

「ベアリング(軸受)」にはこんなカテゴリがあります

シェアする