


築40年以上の家屋のサッシの修復に使用しました。
まだ部品が出るのに驚きとともに感謝です。
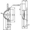
勝手がわかりにくいので購入する人の為に。
メーカーによって勝手の表記が異なるので、このメーカーのクレセントについての場合、室内側からサッシを見て、クレセントを取り付けるサッシの重なっている縦枠(縦框)の右側に取り付けるのが右勝手、その逆が左勝手です。一般的に2枚引違いのサッシだと、クレセントは中央の重なっている縦枠(縦框)の左側に取り付けるので、左勝手です。
右勝手は、4枚建サッシの右から1番目と2番目のサッシの重なりについています。
時々ですが、直にシールがベッタリ張り付いていて、すぐに使えません。
直にシールは、貼らないでもらえるとありがたいです。
貴重なご意見ありがとうございます。。
ご指摘の内容は担当部署まで申し伝えさせて頂きます。
今後ともMonotaROをよろしくお願い申し上げます。
『右勝手』と『左勝手』の定義がメーカーにより異なるので、注意が必要です。各品番の詳細ページで図面を見たらわかります。