KRF25-V-01 オリオン ドライポンプ オリオン機械 08604145

オリオン ドライポンプ

(1件のレビュー)
取扱い終了代引不可地域運賃
内容量1台注文コード08604145品番KRF25-V-01
大変申し訳ございませんが、この商品は取り扱いを終了いたしました。
代替商品があります。
参考基準価格(税別)¥108,000

安全設計・環境対応:CEマーキング、RoHS指令標準対応
低運転音:清音化設計により、-3dBの低減(メーカー従来比)
長寿命:ブレード新材質の開発により30%アップ(メーカー従来比)

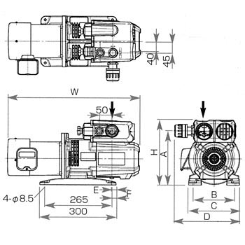
質量(kg)28タイプバキューム寸法H(mm)257電圧(V)200(50/60Hz)、220(60Hz)回転数(min-1[r.p.m])1450/1730電源AC寸法A(mm)213寸法F(mm)111到達圧力(Pa)8600/9000(50/60Hz)寸法D(mm)254寸法E(mm)1寸法B(mm)170寸法C(mm)198モーター三相標準モーター付寸法W(mm)521流量(L/min)280~685(60Hz)主な用途印刷・製本・自動機・包装機械などの真空源排気量(L/min)405:50Hz、480:60Hz(理論値)モーター容量(kW)0.75駆動方式モータ直結電圧許容範囲±10%吐出口径Rc3/4使用環境条件温度0~40℃、湿度65±20%(常温)常用真空度(kPa以下)60:推奨、80:最高吸込口径Rc3/4ポンプの種類ドライ
注意
※個人宅(戸建住宅・集合住宅)様への配送は行っておりません。

地域運賃

地域単位配送費
全国数量1につき0/税込0
北海道地方数量1につき3,000/税込3,300
沖縄地方数量1につき3,000/税込3,300
離島数量1につき3,000/税込3,300

代替相当品

相当品がございます、是非ご確認ください。
注文コード品番代替品注文コード代替品品番商品画像商品名ブランド内容量価格理由
08604145KRF25-V-0116242135KRF25A-V-01BKRF25-V-01 オリオン ドライポンプ オリオン機械 16242135オリオン ドライポンプオリオン機械1台
129,800
税込142,780
メーカーモデルチェンジ品(後継品)です
購買の手間を削減したい、経費精算を楽にしたい。そんなお悩み解決します

商品レビュー

平均満足度:
総レビュー件数:1
毎月抽選で1,000名様500円クーポンをプレゼント!商品レビューを投稿する
対象商品 : 16242135
2022-04-12
用途: 紙加工機械部品

オイルポンプが寿命で壊れ 製造メーカー廃業 修理部品も無く 代替え品として購入。必要十分な吸気量 配電盤の変更も無く 配線配管で稼働開始 届くのも早く助かりました。耐久性はわからない。 ポンプ側配線時に6本あるうちの3本に上乗せ接続で迷いました。

1が参考にしています

よくあるご質問(FAQ)

ご質問は製品仕様に関する内容に限らせて頂きます。

真空機器」にはこんなカテゴリがあります

シェアする
この商品についてXでポストする
この商品についてFacebookでシェアする