インジケータ取りつけキット

インジケータ取りつけキット - NBK(鍋屋バイテック会社)インジケータ取りつけキット - NBK(鍋屋バイテック会社)インジケータ取りつけキット - NBK(鍋屋バイテック会社)インジケータ取りつけキット - NBK(鍋屋バイテック会社)

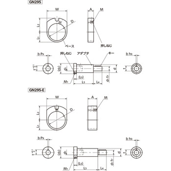
デジタルポジションインジケータをアクチュエータに取りつけるためのキットです。
使用するデジタルポジションインジケータとアクチュエータの組み合わせにより、適応する取りつけキットの品番が決まります。詳細は、組み合わせ表にてご確認ください。

寸法M(mm)M5材質【ベース】(本体)アルミニウム合金/アルマイト処理(黒)、(押しねじ)SS500、(キー)SS500、【アダプタ】(本体)SUM22L/四三酸化鉄皮膜(黒)、(押しねじ)SS500、(キー)SS500内容量1個
3件中 13各品番毎の詳細は注文コードをクリックしてください
注文コード
品番
寸法A(mm)
寸法b(mm)
寸法d(mm)
寸法D(mm)
寸法d1(mm)
寸法d2(mm)
寸法L1(mm)
寸法L2(mm)
寸法L3(mm)
寸法L4(mm)
寸法L5(mm)
寸法M1(mm)
寸法N(mm)
寸法t(mm)
寸法W(mm)
参考基準価格 (税別)販売価格(税別)販売価格(税込)
出荷目安
数量
64296603GN295-18-6N102101861611.521.528165M498724
7,720
7,698
8,468(税込)
17日以内出荷
返品不可
64296619GN295-30-8-E162143082017.524.542156M5130.5935
8,840
8,798
9,678(税込)
17日以内出荷
返品不可
64296628GN295-40-12-E1642040122424.53249166M5137.513.847
9,490
9,398
10,338(税込)
17日以内出荷
返品不可
各品番毎の詳細は注文コードをクリックしてください
購買の手間を削減したい、経費精算を楽にしたい。そんなお悩み解決します

商品レビュー

商品レビューを投稿すると毎月抽選で1,000名様500円クーポンをプレゼント!

よくあるご質問(FAQ)

ご質問は製品仕様に関する内容に限らせて頂きます。

位置決め部品」にはこんなカテゴリがあります

シェアする
この商品についてXでポストする
この商品についてFacebookでシェアする