曜日別特売
DH-21-H6-2 樹脂ベアリング DH(外輪凹溝タイプ) TYPE3 トックベアリング(TOK) 38823522

樹脂ベアリング DH(外輪凹溝タイプ) TYPE3

(1件のレビュー)
取扱い終了
内容量1個注文コード38823522品番DH-21-H6-2
大変申し訳ございませんが、この商品は取り扱いを終了いたしました。
参考基準価格(税別)オープン

アウターレースにポリアセタール樹脂、ボールとインナーレースにはスチールを使用したプラスチックベアリングです。

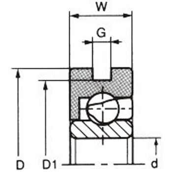
用途机、キャビネット、自販機、冷蔵庫等の引き出し部など。寸法C(mm)-寸法D(mm)24(±0.2)寸法D1(mm)21±0.2寸法G(mm)2±0.2寸法L(mm)-寸法W(mm)7(0/-0.2)寸法d(mm)6(+0.1/0)寸法d1(mm)-内径(Φmm)6外径(Φmm)24幅(mm)7呼びd2×θ(mm×°)-
注意
※寸法Dなど寸法図が半径表示の箇所は、半径ではなく直径になります。
購買の手間を削減したい、経費精算を楽にしたい。そんなお悩み解決します

商品レビュー

平均満足度:
総レビュー件数:1
毎月抽選で1,000名様500円クーポンをプレゼント!商品レビューを投稿する
対象商品 : 35777594
2020-11-24
用途: レールなどスライダー機構への稼動物設置に
製造業

樹脂ベアリングの滑車で様々な用途に合わせて使える商品です。耐久性はあまりありませんが、稼動させたい物へ設置する場合や逆にワイヤーロープなどを滑車の上で移動させる様な用途に適していると思います。単なる滑車リングだけではなくベアリング入りの安心感があって良いと思います。

よくあるご質問(FAQ)

ご質問は製品仕様に関する内容に限らせて頂きます。

樹脂/プラスチック」にはこんなカテゴリがあります

シェアする
この商品についてXでポストする
この商品についてFacebookでシェアする