ステンレス製で、耐蝕性、耐熱性に優れています。
汎用抜き差し蝶番です。



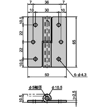
寸法的にちょうど良かったけどやはり抜き差しする時軸のスペーサーが落下しやすい、M5スプリングワッシャーがちょうど良いので紛失したら代替えとして使うつもりもう少しスペーサーを抜けにくい様にして欲しい
見ないで購入してるから当たり前だけど、ゴツすぎ
抜き差しできるのはいいがオスに付いてるベアリングのようなのがポロポロ落ちて2個無くしました
作った簡易防音室を簡単に分解収納できるように買ってみたけど、ベアリングのようなワッシャーのような物がすぐ落ちるなら使い道ないかな
強度は申し分ないと思います。
接続部分のワッシャーが紛失しそうなゆるさなので樹脂ワッシャーでもう少しタイトな方が良い感じです。
プラス面として、全体的に造りがしっかりしており、値段もリーズナブルで良かった。
マイナス面としては、ねじ穴をテーパー状に加工しておいて欲しかったことと、カタログの写真に「右用」との書き込みがあれば発注する時に分かりやすかった。
近くのホームセンターを探しましたが種類が少ないか・無い状態。
モノタロウさんで探すと種類は豊富もメーカーによっては表示が異なったりするようですね。
A社では「左」、B社では「R」表示が同じ構造の作りであったりして、
実際に手元に届くまでは望んでいるものかどうか不安でした。
購入される前に入念に調べることをお勧めします。
支柱の右側に扉を付けるのに左(L)を2個購入しました。(手前に引っぱる扉で、柱も扉も蝶番が正面から見える取付)
商品画像が右(R)しかないので迷いました。(メーカーさんのホームページも右のみ掲載)
商品は厚手でしっかりしてステンレスなので安心です。
メンテナンスの為に扉を取り外す必要があり、「抜差蝶番」にしましたが動きも滑らかです。