曜日別特売
EΦ150 有機液体充満圧力式指示温度計 兵田計器工業 33032894

有機液体充満圧力式指示温度計

(2件のレビュー)
取扱い終了
内容量1個測定範囲(℃)0~50注文コード33032894品番EΦ150
大変申し訳ございませんが、この商品は取り扱いを終了いたしました。
参考基準価格(税別)オープン

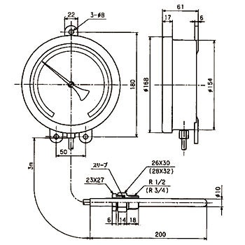
離れた場所の温度を測定する液体封入式の堅牢な工業用温度計です。この温度計はJIS B7528に準じています。隔測距離(リード長)3mで、取付ネジはスライド形になっており、感温筒上を任意にセットできます。(一旦取付ネジを固定されますと位置変更ができなくなりますのでご注意下さい!)取付ネジをご使用にならない場合は投込式の温度計としてご使用可能です。指示部の取付は壁掛式です。

材質
感温部/SUS304
取付ねじ部/黄銅、クロムメッキ
ケースおよびカバー/アルミニウム合金ダイカスト(ADC)
透視板/普通板ガラス
測定範囲(℃)0~50外径(Φmm)150取付ねじスライド形 R3/4仕様感温筒最短セット寸法/120mm以上形状感温部/直管形ケース色黒色、アクリル樹脂塗装感温部太さ×長さΦ10×200mm設置方式壁掛け導管長さ(mm)3000目盛板白地黒文字黒目盛温度表示方式指針式温度計の種類隔測式
購買の手間を削減したい、経費精算を楽にしたい。そんなお悩み解決します

商品レビュー

平均満足度:
総レビュー件数:2
毎月抽選で1,000名様500円クーポンをプレゼント!商品レビューを投稿する
2019-12-22
用途: クーリングタワーの水槽の水温計測

温度を検知する部分が、真水でも数ヵ月で腐食してツブれましたよ。

対象商品 : 33032876
2017-11-28
用途: 業務用洗濯機に取り付け
サービス業

取り付けも簡単で、目盛りも広く等間隔で、大変見やすく、よかったです。

1が参考にしています

よくあるご質問(FAQ)

ご質問は製品仕様に関する内容に限らせて頂きます。

温度計」にはこんなカテゴリがあります

シェアする
この商品についてXでポストする
この商品についてFacebookでシェアする