
取付高が同じTEL型とKEL型は併用できます。



安くて軽い樹脂台車の車輪が10cmだが、
ボコボコの床面や段差あるところを運ぶのにストレスになるので、より大きいこの車輪に交換した。
台車は重くなったが、作業性は格段に向上した。
金具が合うかは事前に計測し調べて購入した。
安物台車が壊れても、新しい台車にこの車輪を使い回していこうと思う
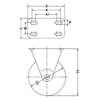
取付穴寸法の長手方向が70mm希望で82mmは長すぎなのだが、図では取付穴は長手方向の長円なので、融通が利くだろうと思って購入したら、大間違い。A'はなく真円でした。何とか穴を長手方向に拡大して取り付けましたが、ひどい目にあいました。図は正確なものを置いておいてほしい。
このたびは、誠に申し訳ございませんでした。
画像の差し替えを行いました。