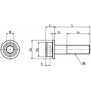
・頭部のフランジによって座面が大きくなるため、通常の六角穴付きボルトと比べ被締結材にかかる圧力が分散され、座面陥没が生じにくくなっています。また、キリ穴径が大きい場合でも、座面を確保することができます。
・座金の組み込み作業が不要で、部品点数を削減できます。
・座金を使用していないため、ロボットによるねじ締め自働化に最適です。
・耐蝕性・耐薬品性・耐摩耗性にすぐれています。
・アウトガスが少なく真空環境下で使用できます。
・すぐれた潤滑性。ねじのかじり・焼きつき防止に適しています。
・分光反射率1.5%以下。反射防止を必要とする光学機器などの用途に。


